논문 전문 : https://ieeexplore.ieee.org/document/9036949
[출처] C. Vidal, P. Malysz, P. Kollmeyer and A. Emadi, "Machine Learning Applied to Electrified Vehicle Battery State of Charge and State of Health Estimation: State-of-the-Art," in IEEE Access, vol. 8, pp. 52796-52814, 2020, doi: 10.1109/ACCESS.2020.2980961.
※ The picture and content of this article are from the original paper.
[논문요약]
Machine Learning Applied to EV Battery SOC and SOH Estimation : SOTA - II
다양한 딥러닝 모델들을 사용하여 SOC와 SOH를 추정해보고, 각각의 조건을 최대한 비슷하게 맞추어 성능비교를 하는 논문입니다. 논문의 양이 방대할뿐만 아니라, 논문자체도 1부 SOC, 2부 SOH로 나누어져있어 해당 논문분석은 2번으로 나누어 정리할 예정입니다.
Purpose
이 전글에서는 동일한 논문의 1부로, SOC를 추정하는 다양한 ML기법들에 대해 정리를 해보았습니다.
2부에서는 SOH를 추정하는 다양한 기법들을 정리하고자합니다.
https://limitsinx.tistory.com/181
Contents
배터리의 SOC 및 SOH를 추정하기위한 딥러닝모델들에 대해 전반적으로 정리를 하며 논문이 시작됩니다.
SOH를 추정하기 위한 기법을 크게 5가지로 나누어 정리를합니다.
1. FNN(FeedForward Neural Network)
2. RNN(Reurrent Neural Network)
3. RBF(Radial Basis Function)
4. Hamming Neural Network
5. SVM(Support Vector Machine)
나머지 기법들은 이전글에서 대부분 정리를 하였고, FNN의 세부항목중 하나인 SNN(Structured Neural Network)와 Hamming Neural Network에 대해서 집중적으로 다루어보고자합니다.
SNN은 이름은 거창한대요, 워낙 딥러닝쪽은 이름붙이기 나름이라..
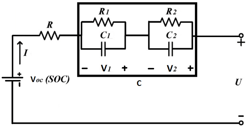
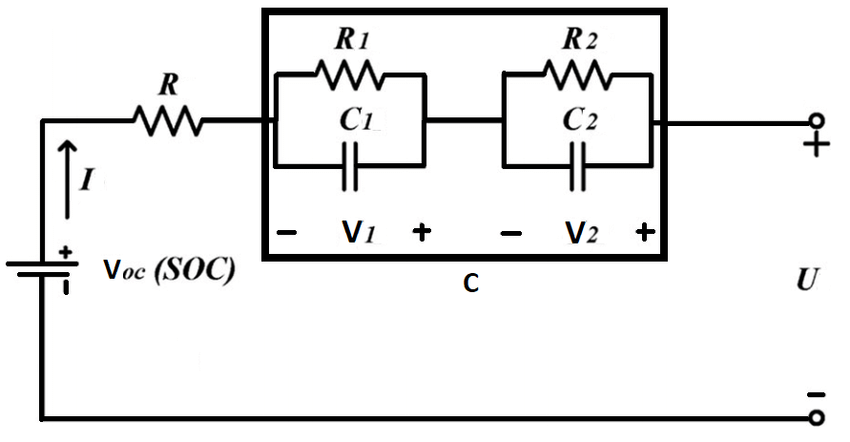
아키텍쳐 스트럭팅 이런것 전혀아니고 2RC ECM의 각 소자들을 구분하여 각각에 대해 머신러닝을 사용해서 이렇게 이름을 붙였다고합니다.


2RC ECM의 직렬저항, RC병렬1 , RC병렬2를 각각 신경망을 통해 추정한다는건데요
첫번째 직렬저항을 구하기위해선 SOC를 4차원의 polynomiar로 모두 input으로 넣어준다고합니다.
이것과 온도,평균전류의 신경망을 합쳐 최종적으로 직렬저항을 얻어내고
나머지 병렬 저항,커패시터는 SOC와 온도에 대한 신경망으로 추정한다고합니다.
말이좋아서 SNN이고 신경망으로 추정하는거지 그냥 LUT(Look Up Table)로 해도되는것을 신경망을 써서 추정했다고 보시면됩니다.
이렇게해서 얻어지는 각 저항성분들의 변화정도를 통해 SOH를 추정한다고합니다.
해당 논문의 필자는 IR(Internal Resistance)와 SOH의 관계를 아주 강하게 어필하고 믿고있습니다.
하지만 IR은 SOH에만 연관된게 아니기에, SOH외 다른조건을 모두 동일하게 해주어야만 나올수있는 양산과는 거리가 먼 경우의 연구들을 다루고있습니다.

Hamming Neural Network도 이름은 그럴듯하지만, 전체시퀀스는 간단합니다.
첫번째 박스의 FNN을 통해 Input을 전압,전류,용량,온도로 넣고 각각에 해당하는 2RC ECM의 파라미터들을 학습시킵니다. Referene값으로 학습을 시킨것이기 때문에(EIS로 측정을 했든, 계산으로 값을 얻었든) 이 신경망의 output으로 나오는것도 Reference라고 봐도 무방합니다.
이것을 두번째 박스에서 SOH를 추정하기위한 RNN 신경망의 Referene값으로 두고 전체학습을 계속 반복하는것입니다.
즉, RNN으로 SOH를 추정하는게 메인이고, 이 RNN을 학습시키기위한 Reference값으로 FNN의 output을 사용한다는것입니다.
그냥, Neural Network 두개를 연관지어 학습시킨다고 보시면 됩니다.

Hamming Neural Network는 두개 신경망을 직렬연결해서 사용했다면, 이런식으로 Parallel하게 사용하는 방식도있습니다.
첫번째 RNN으로는 Capacity Fading을 구하고 두번째 RNN으로는 저항변화를 학습하여, 이 두개를 보고 최종 SOH를 돛출하는 방식식입니다.

이외 나머지 기법들은 모두 상기그림과 같은 시퀀스를 따르며 모델만 바뀌고있습니다.
Input데이터로 주로 전압,전류,용량,IR,SOC,온도..를 쓰며 Output은 SOH입니다.
실제에서 SOH데이터를 많이 얻기어렵기때문에 해당 논문에도 2D의 정밀한 전기화학모델을 통해 시뮬레이션으로 얻어진 데이터를 학습하였다거나, 상황을 제약하여 가속내구를 시켜 얻은 데이터라는 부분이 있습니다.
즉, 현실에서 이런데이터를 얻기란 아주 어렵다는것을 인지하고 있습니다.

RBF를 통한 SOH추정방법인데, 이 부분이 논문에서는 앞단이지만 제가 마지막에 정리한 이유는 꽤나 저에게는 인사이트를 주었던 부분이기 때문입니다.
해당 연구는 단셀 기준으로 하는것이 아닌, 여러개의 셀(모듈 혹은 팩단위)로 SOH를 추정한다고합니다.
Reference data로는 실제 capacity를 사용하며, Input data로 특이하게도 여러 셀들의 전압분포를 사용한다고합니다.


즉, 동일 모듈(혹은 팩)내부의 여러 셀들의 전압분포를 통해 SOH를 추정한다는것입니다.
상관관계는, Fresh한 모듈의 셀들이라면 아무래도 셀전압 분포의 Standard Deviation이 크고(평탄하고) 대부분 Mean값에 모여있을것입니다.
반대로, 열화된 모듈의 셀들이라면 셀전압 분포가 Standard Deviation도 작아지거나 혹은 Outlier의 발생으로 인해 분포그래프가 조금은 난해하게 그려지겠죠
이런 상관관계를 활용하여 학습을 시킨것으로, 이런식으로 열화를 찾을수도있겠구나라는 생각을 가지게 해주었습니다.
Results

용량열화와 저항열화를 나누어 정확도를 측정하였습니다.
하지만, 정확도보다 더욱 중요하다고 생각하는 부분은 "온도"입니다. 상온만 학습시킨다면 당연히 정확도가 높을수밖에 없을것이라고 생각합니다.
이부분은 필자도 정의를 하는것이, FNN with ECM으로 23'C~50'C에서 0.29%의 MSE정확도를 갖는것보다
0'C~60'C까지 0.96%의 정확도를 가지는 RNN이 실제필드에서는 더욱 유용하게 쓰일것이라고 합니다.
하지만, 애초에 전기화학모델을 통해 얻어진 가상데이터로 학습시키거나, 가속내구를 통해 실제상황을 반영하지는 못한 실험데이터로 학습시킨값들이기에 이것이 양산필드에서 적용의 유무를 따질만한 논문인지는 잘모르겠습니다만, 필자도 그부분은 충분히 인지하고 있는듯합니다.
Conclusion부분에서 필자가 이부분을 꽤나 길게적고있는데, 딥러닝을 실제 필드에 적용위해선 quality와 quantity가 보장된 데이터가필요하며, 모델복잡도로 인한 Computational Power또한 큰 허들이라고 합니다.
참조
1. C. Vidal, P. Malysz, P. Kollmeyer and A. Emadi, "Machine Learning Applied to Electrified Vehicle Battery State of Charge and State of Health Estimation: State-of-the-Art," in IEEE Access, vol. 8, pp. 52796-52814, 2020, doi: 10.1109/ACCESS.2020.2980961.
 
										
									 
										
									 
										
									 
										
									
댓글