논문 전문 : https://www.sciencedirect.com/science/article/abs/pii/S0378775317301088
[출처] Zhang, L.; Peng, H.; Ning, Z.; Mu, Z.; Sun, C. Comparative Research on RC Equivalent Circuit Models for Lithium-Ion Batteries of Electric Vehicles. Appl. Sci. 2017, 7, 1002. https://doi.org/10.3390/app7101002
※ The picture and content of this article are from the original paper.
[논문요약]
Comparative Research on RC Equivalent Circuit Models for Lithium-Ion Batteries of Electric Vehicles
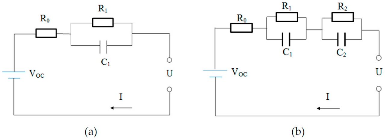
전기화학 모델의 Computational cost를 생각했을때는 실제 차량에 적용되기에는 어려움이 존재하므로, Equivalent Circuit Model로 단순화해야하는건 맞지만, 너무 단순하게하면 실제 배터리의 특성을 반영하기 어려우므로 어느정도 타협한 모델을 1RC & 2RC ECM이라고 제안합니다.

Purpose
배터리 등가회로모델 중 가장 대표적으로 사용되는 1RC ECM과 2RC ECM의 파라미터 추출 결과를 비교해보고, 둘을 기반으로한 SOC 및 전압 추정성능을 비교하여 결국 전기차에 들어갈때 Computational cost를 고려하여 어떤 모델을 선택하는게 좋을지에 대해 분석한 논문입니다.
Contents
일단 해당 논문은 시작에서 전기화학모델의 복잡성을 언급하며, ECM을 써야한다는 주장을 합니다.
그중 가장 대표적으로 사용되지만, 너무 단순하지도 않은 적당한 모델을 1RC, 2RC ECM이라고하며, 각각의 파라미터를 추출하는 방법에 대해 간략하게 적습니다.
하지만, Least Square Method로 구했다고만 할뿐, 구체적으로 시상수와 저항값을 어떻게 구하는지는 나오지 않습니다.
이것에 관해서 파라미터 추출하는 방법에 대한 논문은 하기 링크 참조부탁드립니다.
https://limitsinx.tistory.com/160
[IEEE-2019] A Parameter Extraction Method for the Thevenin Equivalent Circuit Model of Li-ion Batteries
논문 전문 : https://ieeexplore.ieee.org/document/8912326 [출처] M. Hossain, S. Saha, M. E. Haque, M. T. Arif and A. Oo, "A Parameter Extraction Method for the Thevenin Equivalent Circuit Model of L..
limitsinx.tistory.com

Least square method라고 하는데 matlab으로 curve fitting하여 얻어낸 값으로 추정됩니다.
tau값 및 저항값에 일반적인 규칙성이 없을 뿐 아니라, 보통커패시턴스값이 저렇게 전체 SOC영역별로 비슷하게 나오진 않습니다. 저항도 SOC 0% 지점을 제외하곤 모두 비슷하거나 높은값이 나오는데 이런 개형을 띄는건 맞지만 값들이 전체적으로 너무 비슷한 감이 없지않아 있습니다.


이런식으로 어느정도는 Dynamic한 개형이 나와야하는데 말이죠.. 케미컬에 따라 다를수있지만..
(해당 논문은 18650 원통셀을 쓴다고만 해놓고 케미컬에 대한 언급은 없네요..)

2R 모델의 파라미터도 이런식으로 구해줍니다.
여기서는 저항이 SOC에 따라 제가 생각하는 분포대로 나오고 있습니다.
Results

상기 과정대로 Parameter Identification을 진행하고 전압추종 오차를 비교합니다.
보시다시피 빨간색이 2RC모델의 오차로 전체적으로 한쪽방향으로 조금 쏠려있는것을 확인할 수 있습니다.
이건, 필자가 분석하기로는 파라미터 추정과정에서 여러 방법론 별로 조금씩 이런식의 Bias(쏠림)현상이 생길 수 있다고합니다.
이렇게만보면 전체적인 오차는 1RC모델이 커보이지만 평균오차는 1RC가 나을수도 있겠다는 생각이드네요
이 논문을 보면서 여기까지 내용은 크게 기존에 알고있는바 대비 다를게 없었으나, 논문 정리를 하게 된 이유는 매우 깔끔명료하게 정리된 "Conclusion" 때문이였습니다.
원문 그대로 옮겨보겠습니다.
1. The ECM has a very large advantage in computation time in contrast to electrochemicacl models; the simulation time based on the elecctrochemical model was as long as 9600sec, while the simulation time based on EM in this paper was negligible.
→ ECM이 Computational cost가 낮다. 양산성이 좋다
2. The maximum relative errors of the 2 RRcc models underrr the two representative operating conditions were all less than 2%, which can generally satisfy the precision requirerments for the practical engineering alculation, such as algorithms based on EMC for advanced BMS.
→ 1RC, 2RC 둘다 2%내 오차로 성능이 좋다. 실제 양산 BMS에 적용하기에는 둘다 준수한 성능이다.
3. The 2 RC model improved the output error in contrast to the 1 RC model in both simple and complex discharging conditions, but did not improve much. therefore, for ordinary applications such as portable consumer electronics, the 1RC model could be the preferred choice. However, for stringent appliations such as automotive and aerospae, the 2RC model could be the preferred choice. the results are of great instructional significance to the application in practical control systems for the ECM of LIB.
→ 저가형(혹은 조금은 정확도가 떨어져도되는) 제품에는 1RC 모델을 써라. 하지만 Aerospace나 자동화시스템 처럼 높은 정확도를 필요로 하는 제품에는 2RC를 써라
; 제가 제일 이 논문에서 마음에 들어하는부분입니다. 정확도가 조금이라도 좋아지면 그것을 어떻게든 어필하는 논문들이 많은데, 이런 기존연구를 분석한 논문들은 스탠스가 "비록 정확도에선 2RC모델이 좋지만 Computational cost를 고려했을때 양산단가를 올리면서까지 쓸정도로 좋다고 할순 없다. 차라리 1RC모델을 써라!" 라고 명확하고 솔직하게 정리해주기 때문입니다.
참고
1. Zhang, L.; Peng, H.; Ning, Z.; Mu, Z.; Sun, C. Comparative Research on RC Equivalent Circuit Models for Lithium-Ion Batteries of Electric Vehicles. Appl. Sci. 2017, 7, 1002. https://doi.org/10.3390/app7101002
댓글