논문 전문 : https://www.sciencedirect.com/science/article/abs/pii/S037877530200558X
[출처] Stephan Buller, Marc Thele, Eckhard Karden, Rik W. De Doncker,Impedance-based non-linear dynamic battery modeling for automotive applications,Journal of Power Sources,Volume 113, Issue 2,2003,Pages 422-430,ISSN 0378-7753, https://doi.org/10.1016/S0378-7753(02)00558-X.
※ The picture and content of this article are from the original paper.
[논문요약]
Impedance-based non-linear dynamic battery modeling for automotive applications
독일 아헨공대쪽에서 Battery ECM과 Electrochemical Equation의 결합을 꾀하는 논문들이 많이 있습니다.
특히, LinkedIn을통해 일촌?을 맺고계신 Sauer 교수님쪽에서 많이 나왔었는데요, 2RC-ECM은 너무 간단하기에 EIS를 통해 전기화학적 디테일이 일부 가미된 정합성 높은 ECM을 만들고자 하는 논문입니다.
2RC-ECM Parameter Identification을 하는 논문은 하기링크에 정리해두었습니다. 참고 부탁드립니다.
https://limitsinx.tistory.com/160
[IEEE-2019] A Parameter Extraction Method for the Thevenin Equivalent Circuit Model of Li-ion Batteries
논문 전문 : https://ieeexplore.ieee.org/document/8912326 [출처] M. Hossain, S. Saha, M. E. Haque, M. T. Arif and A. Oo, "A Parameter Extraction Method for the Thevenin Equivalent Circuit Model of L..
limitsinx.tistory.com
Purpose
2D 혹은 P(Pseudo)-2D, 1D Model과 같은 전기화학적 모델들은 기본적으로 SOC, 온도, SOH, C-rate와 같은 다양한 변수들에 대해 너무나도 복잡한 수식들로 점철되어있기에, 양산업체에서는 적용하기 힘든것이 사실입니다.
다양한 케미컬의 셀을 수시로 쓰는데 그때마다 매번 전기화학모델을 만들고, 모든 사용조건에 정합한 튜닝을 하기에는 너무 벅차기때문이죠
따라서, 연구자들은 배터리 모델을 간단하게 만들기위해 전기적 해석을 통해 등가회로모델(Equivalent Circuit Model, 이하 ECM)을 연구하기 시작합니다.
PNGV모델, N-order RC모델 ... 다양한 모델들이 많지만, 가장 많이 사용되는 모델은 1-RC/2-RC 모델로, 시상수를 가지는 커패시터를 저항과 병렬연결하여 배터리의 분극성분을 모사하고자 한것입니다.
해당 논문은, 가장 흔히 쓰이는 2RC 모델을 전기화학적 기법을 추가하여 조금더 정합성 높은 모델링을 하고자 합니다.
Contents

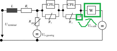
해당 논문에서 제시하는 모델 전체입니다. 기존의 2RC모델에 비해 상당히 복잡해진 모습입니다.
일단, 해당 모델링을 하게된 배터리 셀은 현재 흔히사용하는 리튬이온배터리는 아니고 VRLA라고 하는 납산 배터리입니다.
VRLA(Valve Regulated Lead-Acid)에대해 간단하게 정리해보겠습니다.

LA는 현재 보편적인 ICE(Interal Combustion Engine, 내연기관) 차량에 12V배터리로 많이 사용되는 배터리입니다.
차량 시동 모터를 구동하기위해 필요한 배터리로, 보통 차가 방전되서 시동이 안걸린다 라고 하는건 이 배터리때문입니다. 차량 후드를 열면 바로 확인할 수 있습니다.
이 납산배터리는, 충전을 하다보면 물이 전기분해되어 전해액의 양이 줄어든다는 단점이 있습니다. 물이 산소와 수소(gas)로 분해되기 때문인데요, VR(Valve Regulated) LA는 이렇게 전해액이 산소와 물이 분해될때, 촉매장치를 거치도록 하여 다시 물로 변해 전해액으로 환원되도록 하는 배터리입니다. 즉, 일반 납산배터리의 단점을 해결한것처럼 보이는데요, 하지만 충전할때는 여전히 신경을 써주어야합니다. 과충전이되면 촉매로 환원하는 양보다 분해되는 양이 커지므로 전기분해를 막는데도 한계가 있다는 점이 있기때문입니다.
이런 전기화학적 특성때문에, VRLA는 현재 xEV(X-Electric Vehicle)에 많이 사용하는 리튬이온배터리보다 모델링을 하는것이 상당히 어렵습니다.

위와같은 VRLA의 셀 특성때문에 붉은색 친 부분의 소자들을 의미합니다. 기존의 전기적 모델에 전해액이 분해되는 정도를 반영한 것입니다.

기본 2-RC 모델대비 직렬로 인덕턴스가 붙었다는 점 또한 인상적인데요, 보통 수식적 간소화를 위해 커패시터와 저항성분으로 최대한 모델링을 하고자 하는데, 해당 부분은 배터리의 리드탭과 전극 접촉저항을 의미한다고 합니다.

실험은, Micro Cycle이라고 해당 논문에선 부르던데, SOC 5%까지 방전하고, Relaxation time없이 바로 충전을 진행하고 다시 방전하고 이런식으로 사이클을 돌리며 EIS를 측정한다고 합니다. C-rate를 다양하게 하면서 진행하는데요, 동일한 전류로 여러사이클을 돌려야 한다고합니다.
그 이유인 즉슨, 특정 C-rate로 첫사이클을 돌렸을때의 스펙트럼보다 3사이클정도 돌렸을때의 스펙트럼이 배터리 셀의 상태를 더욱 정확히 표현하기 때문이라고 합니다. (히스테리시스 감안)
위의 그림처럼, 각 C-rate별(낮은 전류들) 충/방전 케이스를 나누어 EIS가 그려지는것들을 볼 수 있는데요
C-rate뿐만 아니라 현재의 전류 방향에 따라서도 스펙트럼값이 많이 바뀌는걸 볼 수 있지만, 전체적인 크기 순서는 변하지 않는다는것을 확인할 수 있습니다. 즉, 형태는 유지하며, Image Impedance 크기도 C-rate가 작을수록 충/방전 상황 모두 큰것을 알 수 있습니다.

R1값을 EIS로 찍고, Parameter Identification을 진행한 값입니다.
논문을 읽다가 Korea라는 말이 적혀있어서 뭔가..했는데요, EIS값의 Parameter Identification(Fitting)을 위해 Kumho Chemical Laboratory에서 만든 Multiple EIS Parameterization(MEISP+)라는 툴을 활용했다고하네요
SOC 70%, 온도는 25'C로 고정한 상태에서 C-rate(x축)만 고려한 저항값입니다.
논문의 저자는 해당 그래프를 Fitting하려고 Hyper Tangent 함수를 썼다고합니다.
R1(I) = a + btanh(c(I+d))

마찬가지로 R2값은 Butler Volmer Equation으로 해석을 진행했다고 합니다.
https://limitsinx.tistory.com/6?category=960086
[배터리 전기화학모델링2] - 버틀러발머 방정식(Bulter Volmer equation)
[사전필요개념] : 이전 제가 운영하던 블로그에 정리해두었던 글입니다 :) https://blog.naver.com/limitsinx/221715432410 -배터리 양극재 정리 https://blog.naver.com/limitsinx/221715443398 -배터리 음극재..
limitsinx.tistory.com
필자는 Parameter Identification을 진행할때 이 R2값을 얻어내는것이 가장 어려웠다고 합니다.
그 이유는, 버틀러발머 방정식은 산화환원비율(alpha)에 따른 각 전극계면에서의 전류밀도를 통해 전하량을 얻어내는 식인데, 이것을 역으로 미분하여 저항값을 도출해야할 뿐만 아니라, 버틀러발머 방정식의 산화환원비율과 전류밀도를 Identification하는 과정이 무척 어려웠다고 합니다.

와버그 임피던스는 보통은 RC Parallel 연결에서 저항과 직렬연결로 작은 네모 위치에 붙이는데요, 해당 논문에는 따로 전체 Circuit에서 직렬연결로 붙이겠다고 합니다. 그 이유는, 해당 위치에 두어도 결과가 크게 차이가 안날 뿐 아니라, 계산 복잡도가 훨씬 줄었기 떄문이라고 합니다.
커패시터값들은 장비를 통해 얻어진 값들 보다 조금 더 값을 올려서 시뮬레이션을 진행했다고 합니다. 그 이유는, 그렇게 하니까 더 모델링이 잘 되었기 때문이라는데요, 이에 대한 이유는 추가연구가 필요하다고 하며, 예상되는 이유로 C-rate별로 다르게 전류를 인가하기에 동일하게 SOC70%를 맞추었더라도 실제 DOD에서 차이가 일부 생겨서 기인한 문제가 아닌가라고 생각하고 있다고 합니다.
Results

실제 차량에서 쓸수있다고 가정하고, Dynamic하게 전류를 주었다고합니다. x축을 보시면 시간 간격이 꽤나 촘촘함을 알수 있습니다. 첫 0.2초간 500A방전, Regenerative를 고려하여 38A 충전 ... 이런식으로 진행을 하였고, 충전과정에서 일부 오차가 벌어지는데 이건 VRLA의 gas에 기인한것이라고 합니다.

좀더 Dynamic한 상황에서도 꽤나 잘 따라가는것을 확인할 수 있는데, 충전 혹은 분극이 회복되는 과정(방전이 아닐때)에서 오차가 다른때 대비 유독 벌어지는것을 확인할 수 있습니다. 필자의 말대로 VRLA의 특성상 gas에 의해 기인한 오차라고 합니다. (전압추정이 어렵다고 위에서 설명한 이유)
결국은 정밀한 EIS장비를 통해 측정하고, 얻어진 데이터를 통해 한국에서 만든 프로그램으로 Curve Fitting하여 모델링을 했다는 점에서는 다른 논문들과 크게 다르지 않지만, 나온지 20년가까이된 논문이라는 점과 현재의 LIB대비 모델링이 어려운 VRLA라는 점에서 상당히 고무적인 결과의 논문인듯합니다. 해당방식을 LIB에 적용해서 어떻게 더 정합성을 높힐수 있을지에 대해 조금더 공부하고 알아보려고 합니다.
참조
1. Stephan Buller, Marc Thele, Eckhard Karden, Rik W. De Doncker,Impedance-based non-linear dynamic battery modeling for automotive applications,Journal of Power Sources,Volume 113, Issue 2,2003,Pages 422-430,ISSN 0378-7753, https://doi.org/10.1016/S0378-7753(02)00558-X.
댓글